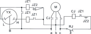
JD-YXC磁助电接点压力表
|
|||||||||||||||||||||||||||||||||||||||||||||||||||||||||||||||||||||||||||||||||||||||||||||||||||||||||||||||||||
主要技术指标及功能
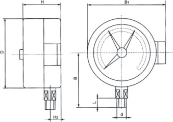
磁助电接点压力表标度范围、精确度等级及接头螺纹尺寸
类型
型号
名称(含全称
或简称)标度范围
MPa精确度等级
接头螺纹
尺寸
指示
设定值
接通
断开
普通型
YXC-100
*YXC-102
YXC-103磁助电接点压力表
0~0.6至60及-0.1~0.06至2.4系列
1.5
1.5
4
M20×1.5
(*G3/8″)
(*G1/2″)
YXC-150
*YXC-1530~0.1至60及-0.1~0至2.4系列
专用型
YXCA-150
磁助电接点氨压力表
0~0.16至60及-0.1~0.06至2.4系列
2.5
2.5
4
抗振型
YXC-100-Z
*YXC-102-Z
YXC-103-Z磁助电接点压力表
0~0.6至60及-0.1~0.5至2.4系列
1.5
1.5
5
耐蚀型
*YXC-100B-F
*YXC-102B-F
*YXC-103B-F
*YXC-150B-F
*YXC-152B-F0~0. 6至60及-0.1~0.06至2.4系列
1.5
1.5
4
耐蚀抗振型
*YXC-100B-FZ
*YXC-102B-FZ
,
*YXC-152B-FZ
*YXC-153B-FZ0~0. 6至60及-0.1~0.5至2.4系列
1.5
1.5
5
隔离式普通型
隔离式耐蚀型YXCG-103
*YXCG-103-F隔离式磁助电接点压力表
0~0. 16至60及-0.1~0.06至2.4系列
1.5
1.5
4
M42×2
(*G1 1/4″)
隔离式抗振型
YXCG-103-Z
0~0. 6至60及-0.1~0.5至2.4系列
1.5
1.5
5
隔离式耐蚀抗振型
*YXCG-103-FZ
注:1)标有“*"的型号暂限于特殊订货
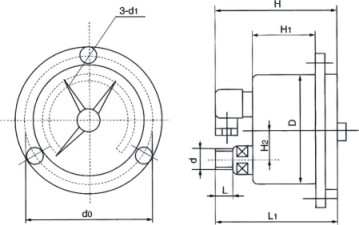
2)隔离式的软尾长度为1、2、3、4m(其中2m为优选长度)










