流量仪表 物位仪表 数显仪表压力仪表 温度仪表 校验仪表 变送器 电线电缆
返回首页
当前位置: 主页 > 产品展示 > 压力仪表 >

JD-Y-BF不锈钢压力表

产品编号:不锈钢压力表 规格型号:JD-Y-BF 产品品牌:金鼎仪表 计量单位: 上架日期:2013-03-01 10:42 浏览次数:
商品介绍

 JD-Y-BF不锈钢压力表

                                                                                             JD-Y-BF系列不锈钢压力表  

 

用途说明

不锈钢压力表广泛用于石油、化工、化纤、冶金、电站等工业部门中对腐蚀、抗振有要求较高的工艺流程中测量各种流体介质的压力。
本仪表的整体结构设计合理、工艺精致,具有较高的测量精确度和持久的稳定性,因此不仅可提供出口,尤为国内用户对引进国外先进技术装备中的同类仪表实现国产化的理想配套产品。

主要技术指标

名 称

型 号

标度范围(MPa)

精确度等级
 
不锈钢压力表
JD-Y-60B-F
 
 
 
 
 
 
0~0.1,0~0.16,0~0.25,0~0.4,
0~0.6,0~1,0~1.6,0~2.5,0~4,
0~6,0~10,0~16,0~25,0~40,0~60,
-0.1~0,-0.1~0.06,-0.1~0.15,
-0.1~0.3,-0.1~0.5,-0.1~0.9,
-0.1~1.5,-0.1~2.4
 
 
 
 
 
 
2.5或1.6
JD-Y-100B-F
JD-Y-150B-F
耐震不锈钢压力表
JD-Y-60B-FZ
JD-Y-100B-FZ
JD-Y-150B-FZ
轴向带前边不锈钢压力表
JD-Y-63B-F
JD-Y-103B-F

JD-Y-153B-F

JD-Y-63B-FZ
JD-Y-103B-FZ
JD-Y-153B-FZ
JD-YZ-150ZT-BF

JD-Y-100BF
JD-YTN-100ZT-BF

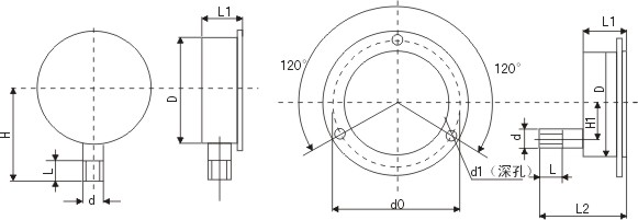
外形尺寸

D d0 d1 H1 H2 L L1 L2 接头螺纹d
60 76 4.5 ≤60  

14

36 66 M14×1.5;Z1/4(NPT)
100 116 4.8 ≤100 ≤35 20 50 98 M20×1.5;
Z1/2; Z1/4(NPT)
150 165 5.8 ≤125 ≤60 20 50 98

------分隔线----------------------------
最新文章
联系我们

电话:  0517-86861968 

传真:  0517-86888368

联系人:姚经理

24小时联系热线:

           15189523988                     15351769888

在线QQ:565162191

             434518301

喷嘴流量计  v锥流量计 腰轮流量计

椭圆齿轮流量计     楔形流量计

推荐文章
在线客服系统