流量仪表 物位仪表 数显仪表压力仪表 温度仪表 校验仪表 变送器 电线电缆
返回首页
当前位置: 主页 > 产品展示 > 压力仪表 >

JD-YB-150YB-150精密压力表

产品编号:精密压力表 规格型号:JD-YB-150YB-150 产品品牌:金鼎仪表 计量单位: 上架日期:2013-03-01 10:35 浏览次数:
商品介绍

 JD-YB-150YB-150精密压力表

JD-YB系列精密压力表  

用途说明

精密压力表主要用来校验工业用普通压力表,也可在工艺现场精确测量对铜合金和合金结构等材质无腐蚀、非结晶、非凝固介质的压力。
该仪表在标度线下设置有境面环(A型B型),在使用中读数更清晰精确。并带有调整装置(B型)。

结构原理
仪表由测压系统、传动机构、指示装置和外壳组成。测压弹性元件经特殊工艺处理,使其性能稳定可靠,与高精度的传动机构配套调试后,能确保精确的指示精度。
仪表的工作原理是:当被测介质的压力作用于弹性元件后,使其产生弹性变形一位移,经拉杆带动传动机构放大,由指示装置指示被测压力
主要技术指标
测量范围、精确度等级及特点

型 号

弹簧管材料 测量范围MPa 精确度等级 结构特点
JD-YB-150A 锡磷青 0~0.1;0~0.16;0~0.25;0~0.4;0~0.6;
0~1.0;
0.4 镜面
JD-YB-150B 铜铬钒钢 0~1.6;0~2.5;0~4;0~6;0~10;0~16;
0~25;0~40;0~60
0.25 镜面调零
使用环境条件:5~40℃,相对湿度不大于80%,且环境震动和压力源的波动对仪表的精确读数无影响。
温度影响:使用环境温度如偏离20±3℃(A型)或20±2℃(B型)时,则须考虑温度附加误差0.4%/10℃。
重 量:1kg(A型) 1.4kg(B型)
 

 

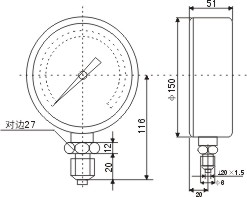
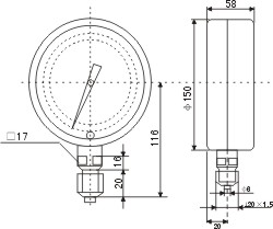
JD-YB-150A JD-YB-150B

------分隔线----------------------------
最新文章
联系我们

电话:  0517-86861968 

传真:  0517-86888368

联系人:姚经理

24小时联系热线:

           15189523988                     15351769888

在线QQ:565162191

             434518301

喷嘴流量计  v锥流量计 腰轮流量计

椭圆齿轮流量计     楔形流量计

推荐文章
在线客服系统