流量仪表 物位仪表 数显仪表压力仪表 温度仪表 校验仪表 变送器 电线电缆
返回首页
当前位置: 主页 > 产品展示 > 压力仪表 >

JD-Y系列一般压力表

产品编号:一般压力表 规格型号:JD-Y系列 产品品牌:金鼎仪表 计量单位: 上架日期:2013-03-01 09:58 浏览次数:
商品介绍

 JD-Y系列一般压力表

Y系列一般压力表  

 

用途说明

一般压力表适用于测量无爆炸危险、不结晶、不凝固及铜及铜合金不起腐蚀作用的液体、蒸气和气体等介质的压力。

主要技术指标

测量范围、精确度等级

型号 结构形式 精度等级 测量范围MPa 备注

Y-40
Y-40Z

径向无边
轴向无边

2.5

0~0.1;0~0.16;0~0.25;0~0.4;
0~0.6;0~1.0;0~1.6;0~2.5;
0~4.0;0~6.0;0~10;0~16;
0~25;0~40




JD-YZ表示压力真空表
JD-Z表示真空表
JD-Y表示一般压力表
JD-YB表示精密压力表






压力表又称一般压力表弹簧管式压力表精密压力表又称标准压力表。压力真空表包括负压与正压量程范围指示,轴向压力表φ60型订货时请注明接头螺纹M10×1或M14×1.5。
特殊轴向压力表可根据用户要求定制

Y-60
Y-60Z
Y-60T
Y-60ZT

径向无边
轴向无边
径向带后边
轴向带前边

Y-100
Y-100Z
Y-100T
Y-100ZT
径向无边
轴向无边
径向带后边
轴向带前边
1.6 0~0.1;0~0.16;0~0.25;0~0.4;
0~0.6;0~1.0;0~1.6;0~2.5;
0~4.0;0~6.0;0~10;0~16;25;
0~40;0~60;0~100
Y-150
Y-150Z
Y-150T
Y-150ZT
径向无边
轴向无边
径向带后边
轴向带前边
Y-200
Y-250
径向无边
径向无边
0~0.6;0~1.0;0~1.6;0~2.5;
0~4.0;0~6.0
Z-40
YZ-40
径向无边
径向无边
2.5 -0.1~0;-0.1~0.06;-0.1~0.15;
-0.1~0.3;-0.1~0.5;-0.1~0.9;
-0.1~1.5;-0.1~2.4

Z-50
YZ-50

径向无边
径向无边
Z-60
YZ-60
YZ-60Z
Z-60ZT
径向无边
径向无边
轴向无边
轴向带前边
Z-100
YZ-100
YZ-100Z
Z-100ZT
径向无边
径向无边
轴向无边
轴向带前边
1.6
Z-150
YZ-150
YZ-150Z
Z-150ZT
径向无边
径向无边
轴向无边
轴向带前边

Z-200

径向无边

使用环境条件:-40~70℃,相对湿度不大于85%。
温度影响:使用温度偏离20±5℃时,不大于0.4%/10℃。


Y-60Z

Y-60

Y-40Z

Y-40

YZ-100


Y-150ZT

Z-100

Y-100

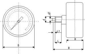
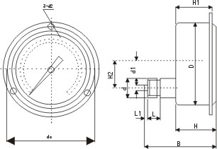
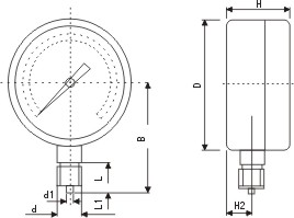
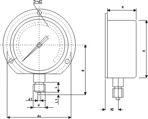
外形尺寸


Y-40、60、100、150、200、250

Y-40、60、100、150Z

Y-60T、100T、150T

Y-60ZT、100ZT、150ZT
   
 
单位:mm
型号 D d d1 L d0 B H d2 H1 H2 L1
Y40 Φ40 M10×1 Φ2.5 10   38 24     8.5 2
Y40Z   40 24     0
Y60 Φ60 M14×1.5或M10×1 Φ5 14   56 30     12
Y60Z   58 30     0
Y60T 72 56 30 Φ4.5   13
Y60ZT 53 30 Φ4.5 24 0
Y100 Φ100 M20×1.5 Φ6 20   90 44     18
Y100Z   85 44     30
Y100T 118 90 45 Φ5.5   18
Y100ZT 85 44 Φ5.5 39 30
Y150 Φ150   115 48     18
Y150Z   92 47     30
Y150T 165 115 48 Φ5.5   18
Y150ZT 92 47 Φ5.5 41 30
Y200 Φ200   146 50     18
Y250 Φ250   167 50     18

------分隔线----------------------------
最新文章
联系我们

电话:  0517-86861968 

传真:  0517-86888368

联系人:姚经理

24小时联系热线:

           15189523988                     15351769888

在线QQ:565162191

             434518301

喷嘴流量计  v锥流量计 腰轮流量计

椭圆齿轮流量计     楔形流量计

推荐文章
在线客服系统