JD-3051ST液位变送器
JD-3051ST液位变送器
![]() |
用途 | ||||||||
| JD-3051ST液位变送器是一种直接安装在管道或容器上的现场变送器。由于隔离膜片直接与液体介质相接触,无须将正压侧用导压管引出,因此可以测量高温、高粘度、易结晶、易沉淀和强腐蚀等介质的液位、压力和密度,然后将其转换成4~20mA.DC信号输出。ST型卫生式液位变送器采用卡箍的形式,进行快速联接,它与介质接触的表面,经过精细加工和处理,光洁度和清洁度皆符合卫生标准,内部的灌充液是以不污染介质为标准,选取和注入的,因此可以广泛地应用于食品、饮料和医药等工业部门。 | |||||||||
![]() |
通用技术性能和参数 | ||||||||
|
|||||||||
| 启动时间:<2秒,不需预热 工作环境:环境温度 -29~93℃(模拟放大器) -29~75℃(数字/智能放大器) -29~65℃(带显示表头) 环境湿度 0~95% 防护特性:防护能力 IP65 防爆类型:隔爆型 Exd II BT4-6 本安型 Exia II CT5 静压影响:DP类零位误差:对于14MPa,±0.1%最大量程限值或±0.25%最大量程限值(量程代号为3),在管道压力下通过调零给予校正。 HP类零位误差:±0.5%最大量程限值,对于32MPa在管道压力下通过调零给予校正。 电磁辐射影响:0.05%最大量程值,接受辐射频率27~500MHz,试验场强3V/m。 指示表(%):液晶数显 精度±0.2% 振动影响:任何方向200Hz振动时,±0.05%/g。 安装位置:膜片未垂直安装,可能产生小于0.24KPa的零点误差,但可通过调零来修正。 重 量:3.9Kg(不包括附件) |
|||||||||
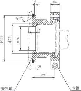
![]() |
典型产品外形尺寸 | ||||||||
|
|||||||||
![]() |
JD-3051ST型卫生式液位变送器 | ||||||||
|
|||||||||
|
|||||||||
|
|||||||||
|
|||||||||
|
|||||||||
|
|||||||||
|
|||||||||
|
|||||||||
![]() |
|||||||||
| JD-3051ST 5 E 22 A 32 N 4 M3 0~40KPa 选型举例 | |||||||||







