JD-WZP防爆型热电阻
防爆热电阻
|
应用 |
![]() |
||||||||||||||||||||||||||||||||||||||||||||||||||||||||||||||||||||||||||||||||||||||||||||||||||||||||||
|
通常和显示仪表、记录仪表等配套使用。直接测量生产现场存在碳氢化合物等爆炸的0~500℃范围内液体、蒸汽和气体介质以及固体表面温度。 |
|||||||||||||||||||||||||||||||||||||||||||||||||||||||||||||||||||||||||||||||||||||||||||||||||||||||||||
|
|
|||||||||||||||||||||||||||||||||||||||||||||||||||||||||||||||||||||||||||||||||||||||||||||||||||||||||||
|
●压簧式感温元件,抗振性能好; |
|||||||||||||||||||||||||||||||||||||||||||||||||||||||||||||||||||||||||||||||||||||||||||||||||||||||||||
|
|
|||||||||||||||||||||||||||||||||||||||||||||||||||||||||||||||||||||||||||||||||||||||||||||||||||||||||||
|
防爆热电阻利用间隙隔爆原理,设计具有足够强度的接线盒等部件,将所有会产生火花、电弧和危险温度的零部件都密封在接线盒腔内,当腔内发生爆炸时,能通过接合面间隙熄火和冷却,使爆炸后的火焰和温度传不到腔外,从而进行测温。 |
|||||||||||||||||||||||||||||||||||||||||||||||||||||||||||||||||||||||||||||||||||||||||||||||||||||||||||
|
|
|||||||||||||||||||||||||||||||||||||||||||||||||||||||||||||||||||||||||||||||||||||||||||||||||||||||||||
|
●产品执行标准 |
|||||||||||||||||||||||||||||||||||||||||||||||||||||||||||||||||||||||||||||||||||||||||||||||||||||||||||
|
|
|||||||||||||||||||||||||||||||||||||||||||||||||||||||||||||||||||||||||||||||||||||||||||||||||||||||||||
|
防爆热电阻在环境温度为15~35℃,相对湿度不大于80%,试验电压为10~100V(直流)电极及外套管之间的绝缘电阻≥100MΩ.m。 |
|||||||||||||||||||||||||||||||||||||||||||||||||||||||||||||||||||||||||||||||||||||||||||||||||||||||||||
|
|
|||||||||||||||||||||||||||||||||||||||||||||||||||||||||||||||||||||||||||||||||||||||||||||||||||||||||||
|
●测温范围及允差 |
|||||||||||||||||||||||||||||||||||||||||||||||||||||||||||||||||||||||||||||||||||||||||||||||||||||||||||
注:t为感温元件实测温绝对值。 |
|||||||||||||||||||||||||||||||||||||||||||||||||||||||||||||||||||||||||||||||||||||||||||||||||||||||||||
|
●取证一览表 |
|||||||||||||||||||||||||||||||||||||||||||||||||||||||||||||||||||||||||||||||||||||||||||||||||||||||||||
|
注:NEPSI防爆认证系国家级仪器仪表防爆安全监督检验站。 |
||||||||||||||||||||||||||||||||||||||||||||||||||||||||||||||||||||||||||||||||||||||||||||||||||||||||||
|
●防爆分组形式 |
|||||||||||||||||||||||||||||||||||||||||||||||||||||||||||||||||||||||||||||||||||||||||||||||||||||||||||
|
|
|||||||||||||||||||||||||||||||||||||||||||||||||||||||||||||||||||||||||||||||||||||||||||||||||||||||||||
|
|||||||||||||||||||||||||||||||||||||||||||||||||||||||||||||||||||||||||||||||||||||||||||||||||||||||||||
|
○温度组别 |
|||||||||||||||||||||||||||||||||||||||||||||||||||||||||||||||||||||||||||||||||||||||||||||||||||||||||||
|
|
||||||||||||||||||||||||||||||||||||||||||||||||||||||||||||||||||||||||||||||||||||||||||||||||||||||||||
|
|
|||||||||||||||||||||||||||||||||||||||||||||||||||||||||||||||||||||||||||||||||||||||||||||||||||||||||||
|
●dⅡBT□级 |
●dⅡCT□级 | ||||||||||||||||||||||||||||||||||||||||||||||||||||||||||||||||||||||||||||||||||||||||||||||||||||||||||
|
|
|
||||||||||||||||||||||||||||||||||||||||||||||||||||||||||||||||||||||||||||||||||||||||||||||||||||||||||
|
|
|||||||||||||||||||||||||||||||||||||||||||||||||||||||||||||||||||||||||||||||||||||||||||||||||||||||||||
|
|||||||||||||||||||||||||||||||||||||||||||||||||||||||||||||||||||||||||||||||||||||||||||||||||||||||||||
|
|
|||||||||||||||||||||||||||||||||||||||||||||||||||||||||||||||||||||||||||||||||||||||||||||||||||||||||||
|
1)型号 |
|||||||||||||||||||||||||||||||||||||||||||||||||||||||||||||||||||||||||||||||||||||||||||||||||||||||||||
◆主要技术指标
|
量程规格 |
||||||||||||
|
注:“ t ”为感温元件实测温度绝对值,双支铂电阻只供应B级
热电阻允许通过电流
通过铂电阻的测量电流最大不超过5mA。
防爆类型和级组
◆防爆级组:d II BT4或d II CT4;d II BT6或d II CT6
◆外壳防护等级:IP54
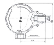
原理结构
隔爆热电阻和装配式热电阻的结构、原理基本相同,所区别的是,隔爆产品的接线盒(外壳
)在设计上采用防爆特殊的结构,接线盒用高强度铝合金压铸而成,并具有足够的内部空间、壁
厚和机械强度,橡胶密封圈的热稳定性符合国家防爆标准。所以,当接线盒内部的爆炸性混合气
体发生爆炸时,其内压不会破坏接线盒,而由此产生的热能不能向外扩散—传爆。
由于产品采用上述防爆特殊结构,使产品完全符合使用在d II BT4至d II CT6防爆温度
组别区间范围内,只要用户严格遵守产品使用规则,产品就能达到可靠的防爆效果。
电气设备的类别、级别和温度组别说明:
◆电气设备分为二类:I类——煤矿井下用电气设备;
II类——工厂用电气设备
◆防爆等级
◆隔爆热电阻的防爆等级呆板其适用于爆炸性气体混合物最大安全间隙分为A、B、C三级。
温度组别
◆隔爆热带内阻的温度组别按其外露部分最高表面温度分为T1~T6六组。
|
隔爆热电阻的种类和规格 |
||||||||||||||||||||||||||||||||||
|
||||||||||||||||||||||||||||||||||
|
|
||||||||||||||||||||||||||||||||||
|
隔爆铠装热电阻的种类和规格 |
||||||||||||||||||||||||||||||||||
|
||||||||||||||||||||||||||||||||||




