JD-WRNK铠装热电偶
JD-WREK铠装热电偶
通常和显示仪表、记录仪表等配套使用。直接测量各种生产过程中的0~1300℃范围内液体、蒸汽和气体介质以及固体表面温度。 ●热响应时间少,减小动态误差; ●测温范围及允差 1000 JD-W 温度仪表 R 热电偶 | 感温元件材料 分度号 M 镍铬硅-镍硅 N | | 无 单支 安装固定形式 1 无固定装置 | 接线盒形式 2 防喷式 | 工作端形式 1 绝缘式 | 附加装置形式 M 接触块式 | JD-W R N 2 - 2 3 1 M 典型型号示例 1)型号 Φ2
应用

特点
●可弯曲安装使用;
●测量范围大;
●机械强度高,耐压性能好。
工作原理
铠装热电偶的两根电极由不同导体材质组成。当测量端与参比端存在温差时,就会产生热电动势,工作仪表便显示出热电动势所对应的温度值。
主要技术参数
●产品执行标准
IEC584 IEC1515 GB/T16839-1997 JB/T5582-91
●常温绝缘电阻
铠装偶在环境温度为20±15℃,相对湿度不大于80%,试验电压为500±50V(直流)电极与外套管之间的绝缘电阻≥1000MΩ.m。即1m长的试样的绝缘电阻为1000MΩ;10m长的试样的绝缘电阻为100MΩ。
●测温范围及允差
型号
分度号
允许误差与偶材等级
I级
II级
允差值
测温范围℃
允差值
测温范围℃
JD-WRNK
K
±1.5℃
-40~+375
±2.5℃
-40~+333
±0.004│t│
375~1000
±0.0075│t│
333~1200
JD-WRMK
N
±1.5℃
-40~+375
±2.5℃
-40~+333
±0.004│t│
375~1000
±0.0075│t│
333~1200
JD-WREK
E
±1.5℃
-40~+375
±1.5℃
-40~+333
±0.004│t│
375~800
±0.004│t│
333~900
JD-WRFK
J
±1.5℃
-40~+375
±1.5℃
-40~+333
±0.004│t│
375~750
±0.004│t│
333~750
JD-WRCK
T
±1.5℃
-40~+125
±1℃
-40~+333
±0.004│t│
125~350
±0.0075│t│
133~350
JD-WRPK
S
±1℃
0~+1100
±2.5℃
0~600
±[1+0.003(t-1100)]
1100~1600
±0.0025│t│
600~1600
测温范围及允差
铠装热电偶推荐使用温度
5.0.6.0.8.0
1100
1200
附加装置形式


型号命名方法
|
|
|
|
|
|
|
|
|
|
|
|
|
|
|
|
|
|
|
|
|
|
|
|
|
|
|
|
|
|
|
|
|
|
|
|
|
|
|
|
|
|
|
|
|
|
|
|
|
|
|
|
|
|
|
|
|
|
|
|
|
|
|
|
|
|
|
|
|
|
|
|
|
|
|
|
|
|
|
|
|
|
|
|
|
|
|
|
|
|
|
|
|
|
|
N
E
F
C
P
Q
R
镍铬-镍硅 K
镍铬-铜镍 E
铁-铜镍 J
铜-铜镍 T
铂铑10-铂 S
铂铑13-铂 R
铂铑30-铂6 B
|
|
|
|
|
|
|
|
|
|
|
|
|
|
|
|
|
|
|
|
|
|
|
|
|
|
|
|
|
|
|
|
|
|
|
|
铠装式
|
|
|
|
|
|
|
|
|
|
|
|
|
|
|
|
|
|
|
|
|
|
|
|
|
|
|
|
|
|
|
偶丝对数
2
双支
|
|
|
|
|
|
|
|
|
|
|
|
|
|
|
|
|
|
|
|
|
|
|
|
|
|
|
|
|
|
|
|
2
3
4
5
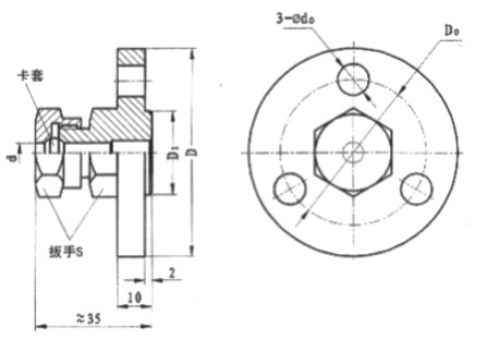
固定卡套螺纹
活动卡套螺纹
固定卡套法兰
活动卡套法兰
|
|
|
|
|
|
|
|
|
|
|
|
|
|
|
|
|
|
|
|
|
|
|
|
3
6
7
8
9
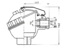
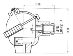
防水式
圆接插式
扁接插式
手柄式
补偿导线式
|
|
|
|
|
|
|
|
|
|
|
|
|
|
|
|
2
接壳式
|
|
|
|
|
|
|
|
|
|
|
|
|
G
包箍式
|
|
|
|
|
|
|
|
|
|
K
选型须知
2)分度号
3)精度等级
4)安装固定形式
5)保护管材质
6)长度或插入长度
例A:铠装热电偶,K型,Ⅰ级,固定卡套螺纹,保护管GH3030,长度450mm,插入长度300mm,JD-WRNK-231,K,L×l=450×300,Ⅰ级, 保护管GH3030。
型号及规格
感温元件
d
L1
Φ3
Φ4
Φ5
Φ6
Φ8
100
150
200
250
300
400
500
750
1000
2000
3000
4000
5000
7500
10000
15000
20000
25000
JD-WRPK-102
接壳式
JD-WRPK2-102
接壳式
JD-WRMK-102
接壳式
JD-WRMK2-102
接壳式
JD-WRNK-102
接壳式
JD-WRNK2-102
接壳式
JD-WREK-102
接壳式
JD-WREK2-102
接壳式
单支铜-铜镍
JD-WRCK-101
T
JD-WRCK-102
接壳式
双支铜-铜镍
JD-WRCK2-101
JD-WRCK2-102
接壳式
JD-WRFK-102
接壳式
JD-WRFK2-102
接壳式









