JD-WRN-530直角弯头热电偶
JD -WRN直角弯头热电偶
|
|
||||||||||||||||||||||
|
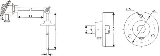
适用于生产现场存在高温和有害气体对热电偶接线盒有影响,或不宜直接水平及垂直安装场合。 |
|
|||||||||||||||||||||
|
|
||||||||||||||||||||||
|
●电气出口:M20×1.5,NPT |
||||||||||||||||||||||
|
|
||||||||||||||||||||||
|
||||||||||||||||||||||
|
注:1)热电偶Ⅰ级按协议订货。 |
||||||||||||||||||||||
![]() |
||||||||||||||||||||||


